首頁
語系
繁體中文
English
簡體中文
詢價車:
item(s)
Toggle Navigation
詢價車 (
)
關於展毅
產品介紹
空壓 PNEUMATIC COMPONENTS
控制閥元件
流體電磁閥
電動馬達閥
氣缸閥
球塞閥
壓力計、溫度計
真空元件
吸盤
真空產生器
空壓元件
運動元件空壓缸
轉角缸
槓桿缸
空壓缸
無桿缸
油壓緩衝器
接頭元件
快速接頭
PU氣壓接頭
銅接頭
尼龍管接頭
銅管接頭
不銹鋼接頭
油壓接頭
潤滑給油系統
風桶
風桶
油壓 HYDRAULIC SERIES
油壓元件
油壓單元組合
油壓缸
油壓轉角缸
薄型油壓缸
油壓缸
多節油壓缸
接頭元件
油壓接頭
快速接頭
PU氣壓接頭
銅接頭
尼龍管接頭
銅管接頭
不銹鋼接頭
直管器
潤滑給油系統
傳動
自潤軸承
直線軸承、軸心
線性滾柱軸承
微型滑軌
COMTOP ABBA 滾珠滑軌
COMTOP 滾珠導螺桿
螺桿支撐座
聯軸器
萬向接頭
滾珠滑軌 螺桿防塵套
萬鑫齒輪減速馬達
公差表
夾持元件
CKD系列
RGK系列
Hijet 快速接頭
Hijet-流體控制用電磁閥
半導體管件
CKD自動化
AirTAC空壓元件
執行元件(Actuators)
焊接夾緊氣缸. 阻擋氣缸 Clamp cylinder and stopper cylinder
標準氣缸-Standard cylinder
迷你氣缸 Roundline cylinder
超薄氣缸、緊湊氣缸 Compact cylinder
多位置固定氣缸 Mini free mount cylinder and Multi-mount cylinder
面板氣缸、螺紋氣缸 Plate cylinder and Threaded cylinder
雙軸氣缸 Twin-rod cylinder
雙軸氣缸 Twin-rod cylinder
雙軸氣缸 Twin-rod cylinder
雙軸氣缸 Twin-rod cylinder
雙軸氣缸 Twin-rod cylinder
雙軸氣缸 Twin-rod cylinder
三軸氣缸 Tri-rod cylinder
滑台氣缸 Slide table cylinder and Compact slide cylinder
無桿氣缸 Rodless magnetic cylinder 迴轉氣缸 Rotary table cylinder
大口徑開口夾 Big size air gripper 氣動手指 air gripper
旋轉夾緊氣缸 Twist clamp cylinder and Rotary clamp cylinder
控制元件
氣控閥 air valve
電磁閥 Solenoid valve
人控、機控及其它閥 Manual control valve. Mechanical control valve and orther valves
流體控制閥 Fluid control valve
氣源處理元件
G系列氣源處理元件 G Series
A\B系列氣源處理元件
其他系列氣源處理元件
各類輔助元件
管接型調速閥.手閥 Speed controller, finger valve
不鏽鋼接頭系列 Stainless steel fitting & silencers
PU管及PA尼龍管 Polyurethane re-coil hosepart
管接頭. 消聲器 Fitting, Silencer
PARKER ESG電動爪
CHELIC空壓零件
氣源系列
控制系列
氣缸系列
自動化系列
外銷專區
把手
CAMOZZI 醫瘵生技用空壓元件
微計量控制電磁閥 K8系列
流量比例閥、 接頭
特惠專區
最新消息
聯絡我們
網站地圖
Home
產品介紹
空壓 PNEUMATIC COMPONENTS
真空元件
吸盤
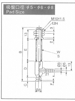
PTS-3.5,3.5x7真空系列-PTS系列(緩衝型吸盤)
PTS-3.5,3.5x7真空系列-PTS系列(緩衝型吸盤)
數量 :
加入詢價車
相關產品
SPTS-20真空系列-SP系列(雙層吸盤)縱向配管緩衝彈簧型
加入詢價車
P2YS真空系列-P2系列(雙層吸盤)橫向配管緩衝彈簧型
加入詢價車
PTS-25,30,35,40,50真空系列-PTS系列(緩衝型吸盤)
加入詢價車
PYK-25,30,35,40,50真空系列-P系列(標準吸盤)
加入詢價車
PTK-10,15,20真空系列-PTK系列(吸盤)
加入詢價車
P2YK真空系列-P2系列(雙層吸盤)橫向配管固定型
加入詢價車
空壓 PNEUMATIC COMPONENTS
空壓 PNEUMATIC COMPONENTS
控制閥元件
流體電磁閥
UD-6,8 UD-6H,8H US-8,UD-10,UD-10H,UD-15,US-10常閉型US-10蒸氣
UW-10,15,20,25,35,40,50常閉型
UG-10,15,20,25,35,40,50常閉型
UWD-10,15,20,25,35,40,50常閉型防水型DIN線圈
UAW-15,20,25,35,40,50常閉型
US-15,20,25,35,40,50常閉型
UW-35F,40F,50F,65F,80F,100F常閉型
US-35F,40F,50F,65F,80F,100F常閉
UDC-8,10,15常閉型
UPS-15,20,25常閉型
UA-8,10常閉型,三口二位
UAO-8,10,15常閉型
UD-6,8,UD-6H,8H常閉型US-8蒸氣
SUS-6,8,10常閉型
SUW-15F,20F,25F,35F,40F,50F常閉型法蘭式
SUSO-15,20,25常閉型
SUS-15,20,25,35,40,50常閉型
SUS-6-NO,SUS-8-NO,SUS-10-NO常開型
UD-6NO,UD-8NO,UD-8HNO,UD-10NO常開型
SUW-15,20,25,35,40,50常閉型
SUW-15,20,25,35,40,50NO常開型
UW-10,15,20,25,35,40,50-NO常開型
SUSO-15,20,25
SUS-6-NO,SUS-8-NO,SUS-10-NO常閉型
UD-6NO,UD-8NO,UD-8HNO,UD-10NO常開型
電動馬達閥
UM-1SUS316牙口球塞閥
UM-1法蘭口球塞閥系列
UM-1耐酸鹼雙由令式球塞閥
UM-1三通球塞閥(T型,L型)
UM-2SUS316牙口球塞閥
UM-2法蘭口球塞閥系列
UM-2蝶閥系列
UM-2耐酸鹼雙由令式球塞閥
UM-2三通球塞閥(T型,L型)
UM-3SUS316牙口球塞閥
UM-3法蘭口球塞閥系列
UM-3蝶閥系列
UM-3耐酸鹼雙由令式球塞閥
UM-3三通球塞閥
UM-3-1SUS316牙口球塞閥
UM-3-1法蘭口球塞閥系列
UM-3-1蝶閥系列
UM-3-1三通球塞閥
UM-4法蘭口球塞閥系列
UM-4蝶閥系列
UM-4三通法蘭口球塞閥
UM-5法蘭口球塞閥系列
UM-5蝶閥系列
UM-5三通法蘭口球塞閥
UM-6法蘭口球塞閥系列
UM-6蝶閥系列
S10-2B電動式球塞閥
S37-2PT電動式球塞閥
S10-3PT電動式球塞閥
S37-2PTH電動式球閥塞(加高型)
BP-2UPV電動式塑膠閥(PVC)
S37-2UPV電動式塑膠閥(PVC)
S37-BU電動式塑膠閥(PVC)
S37-2U電動式蝶型閥
S37-3T電動式三通閥
S10-3L電動式三通閥
S10-3BL電動式三通閥
S10-3BL電動式三通閥加高型
S37-2PF電動式球塞閥
S37-3L電動式三通閥
S37-5L電動式五通閥
BS-3PH電動是球塞閥三片式
YBM-1-120電動馬達閥
YOM-1電動馬達閥
YOM-A電動馬達閥
YBM-1電動馬達閥
YOM-1,25,32,40,50電動馬達閥
YOM-1電動馬達閥15,20,25
YOM-A-32,40,50
YBM-2-65,80 電動馬達閥
YOM-2-32,40,50,65,80 電動馬達閥
YOM-4,5,6電動馬達閥
YBM-2-50,65,80,100電動馬達閥
YBM-2,3,4,5,6電動馬達閥
YBM-2-40,50電動馬達閥
YOM-1-15,20,25,32,40,A電動馬達閥
YOM-1-24電動馬達閥
YOM-2-50,65,80,100電動馬達閥
YOM-4-150,200,250,300,350電動馬達閥
氣缸閥
CBA氣缸閥-鋁合金系列
CB氣缸閥-鋁合金系列
CBF氣缸閥-鋁合金系列
CB3氣缸閥-鋁合金系列
CB3F氣缸閥-鋁合金系列
CCB氣缸閥-鋁合金系列
TBV/TBVS氣缸閥-鑄鐵/不銹鋼系列
TYV/TYVS氣缸閥-鑄鐵/不銹鋼系列
TCV/TCVS氣缸閥-鑄鐵/不銹鋼系列
TDV/TDVS氣缸閥-鑄鐵/不銹鋼系列
TFV/TFVS氣缸閥-鑄鐵/不銹鋼系列
球塞閥
TSB-190銅球型開關-精密鑄造不銹鋼球塞閥
TSB-260銅球型開關-精密鑄造不銹鋼球塞閥
TSB-280銅球型開關-精密鑄造不銹鋼球塞閥
TSB-300銅球型開關-精密鑄造不銹鋼球塞閥
TSB-320銅球型開關-精密鑄造不銹鋼球塞閥
銅球型開關-SUS不銹鋼閥-橫式逆止閥
銅球型開關-SUS不銹鋼閥-閘門凡而
銅球型開關-SUS不銹鋼閥-Y型過濾器
銅球型開關-SUS不銹鋼閥-球塞閥法蘭式
銅球型開關-黃銅系列-橫式逆止閥
銅球型開關-黃銅系列-閘門凡而
銅球型開關-黃銅系列-Y型過濾器
銅球型開關-黃銅系列-蒸氣排水器
銅球型開關-黃銅系列-球塞閥
銅球塞考克-雙叉考克
銅球塞考克-外牙插心
銅球塞考克-雙外牙
銅球塞考克-內外牙
銅球塞考克-外牙插心
銅球型開關-瓦斯開關
銅球型開關-瓦斯安全開關
銅球型開關-噴桿開關
銅球型開關-出水開關
銅球型開關-針型閥
銅球型開關-球塞凡而
銅球型開關-內牙插心
銅球型開關-雙內牙
銅球型開關-外牙PU
銅球型開關-空氣開關
壓力計、溫度計
無邊壓力計
有邊壓力計
無邊真空計
有邊真空計
有邊充油式壓力計
無邊充油式壓力計
全不銹鋼壓力計
聯成計
氧氣錶/乙炔錶
冷媒計
阿姆尼亞錶
微壓錶
接點式壓力計
壓力開關
真空壓力開關
雙金屬溫度計
玻璃管溫度計,角型
玻璃管溫度計,圓筒型
真空元件
吸盤
PYK-3.5,3.5x7真空系列-P系列(標準吸盤)
PYK-5,6,8真空系列-P系列(標準吸盤)
PYK-10,15,20真空系列-P系列(標準吸盤)
PYK-25,30,35,40,50真空系列-P系列(標準吸盤)
PYK-60,80,95真空系列-P系列(標準吸盤)
PYK-100真空系列-P系列(標準吸盤)
PYK-120,150,200真空系列-P系列(標準吸盤)
PYS-3.5,3.5x7真空系列-PYS系列(緩衝型吸盤)
PYS-5,6,8真空系列-PYS系列(緩衝型吸盤)
PYS-10,15,20真空系列-PYS系列(緩衝型吸盤)
PYS-25,30,35,40,50真空系列-PYS系列(緩衝型吸盤)
PYS-60,80,95真空系列-PYS系列(緩衝型吸盤)
PYS-100真空系列-PYS系列(緩衝型吸盤)
PYS-120,150,200真空系列-PYS系列(緩衝型吸盤)
PTK-3.5,3.5x7真空系列-PTK系列(吸盤)
PTK-5,6,8真空系列-PTK系列(吸盤)
PTK-10,15,20真空系列-PTK系列(吸盤)
PTK-25,30,35,40,50真空系列-PTK系列(吸盤)
PTK-60,80,95真空系列-PTK系列(吸盤)
PTS-3.5,3.5x7真空系列-PTS系列(緩衝型吸盤)
PTS-5,6,8真空系列-PTS系列(緩衝型吸盤)
PTS-10,15,20真空系列-PTS系列(緩衝型吸盤)
PTS-25,30,35,40,50真空系列-PTS系列(緩衝型吸盤)
60,80,95真空系列-PTS系列(緩衝型吸盤)
P2YK真空系列-P2系列(雙層吸盤)橫向配管固定型
P2YS真空系列-P2系列(雙層吸盤)橫向配管緩衝彈簧型
P2TK真空系列-P2系列(雙層吸盤)縱向配管固定型
P2TS真空系列-P2系列(雙層吸盤)縱向配管緩衝彈簧型
SPTK真空系列-SP系列(雙層吸盤)縱向配管固定型
SPTS真空系列-SP系列(雙層吸盤)縱向配管緩衝彈簧型
SPYK真空系列-SP系列(雙層吸盤)橫向配管固定型
SPYS真空系列-SP系列(雙層吸盤)橫向配管緩衝彈簧型
SPYK-20真空系列-SP系列(雙層吸盤)橫向配管固定型
SPTK-20真空系列-SP系列(雙層吸盤)縱向配管固定型
SPYS-20真空系列-SP系列(雙層吸盤)橫向配管緩衝彈簧型
SPTS-20真空系列-SP系列(雙層吸盤)縱向配管緩衝彈簧型
SPG-20真空系列-SPG系列(雙層吸盤)
SPG-30真空系列-SPG系列(雙層吸盤)
SPG-40真空系列-SPG系列(雙層吸盤)
SPG-50真空系列-SPG系列(雙層吸盤)
真空產生器
AV系列真空產生器
AVU系列真空產生器
空壓元件
F.R.L.(三點式)組合
F.R.L.(二點式)組合
空氣過濾器
調壓過濾器
末端排水器
調壓器
給油器
全塑鋼F.R.L.(二點式)組合
壓力錶
MV150系列機械閥
MV200系列機械閥
MV230系列機械閥
MV250系列機械閥
SV系列電磁閥
PV系列氣動閥
SV310系列三口二位電磁閥
HVL系列手動閥
HVM系列手動閥
QE系列快速排氣閥
NA系列螺牙氣缸
ND系列多固型氣缸
SC系列調速閥
JD系列治具氣缸
JDD系列雙軸治具缸
JTD系列滑塊治具缸
JCB系列滑座治具缸
JCF系列滑座治具缸
SCR(L)系列旋轉夾持氣缸
STB圓柱阻擋氣缸
STC滾輪阻擋氣缸
STD搖桿阻擋氣缸
STF法蘭型阻擋氣缸
SDA系列不銹鋼氣缸
FDA系列鋁管氣缸
FDB系列方型座氣缸
DBS系列方型座氣缸
DBT系列方型座雙軸氣缸
DN系列標準型氣缸
DU系列標準型氣缸
DC系列空油轉換筒
DH系列增壓器
MRU系列無桿氣缸
MSR(L)系列滑座氣缸
FMR(L)系列滑座氣缸
TD系列雙軸氣缸
STU,STM系列滑台氣缸
TB,TU系列導桿薄型氣缸
TSB,TSU系列導桿滑塊氣缸
TXB,TXU系列導桿滑台氣缸
TMB,TMU系列導桿氣缸組合
GCB,GCU系列導桿氣缸組合
GHB,GHU系列導桿氣缸組合
RTM系列週轉氣缸
RTB系列週轉氣缸
RTP系列週轉氣缸
RTH系列週轉氣缸
HDS系列Y型機械夾
HDM系列180°機械夾
HDP系列平行機械夾
HDK系列滑軌平行夾
HDR系列三爪機械
HDL系列大口機械夾
HDT系列大口機械夾
SAC系列油壓緩衝器
SAT系列油壓緩衝器
SHR系列油壓穩速器
SLP系列消音器
SL系列消音器
CJ系列浮動接頭
MAV系列電源開關
PAL,APT系列組立機械手
PM系列組立機械手、組件
CS系列氣缸感應器
VRT系列組立機械手
APR系列組立機械手
APS系列組立機械手
CK電磁閥系列
KS電磁閥系列
FV02腳踏開關系列
KT,kd腳踏開關系列
SF電磁閥系列
ISO-1電磁閥系列底座式
CT機械閥系列
梭動閥
雙壓閥
運動元件空壓缸
轉角缸
ASC空壓轉角缸
轉角缸單邊壓板
轉角缸雙邊壓板
槓桿缸
AS3槓桿式直線壓板氣缸
槓桿式直線壓板氣缸SD型
槓桿式直線壓板氣缸LB型
槓桿式直線壓板氣缸FA型
槓桿式直線壓板氣缸CB型
空壓缸軸桿端接頭
空壓缸軸承接頭
空壓缸可附加感應開關
空壓缸
空壓缸_理論上氣缸出力
SD空壓缸
FA空壓缸
FB空壓缸
LB空壓缸
CA空壓缸
CB空壓缸
TC空壓缸
LA空壓缸
雙軸可調式氣缸
FA空壓缸ø125-ø250
FB空壓缸ø125-ø250
LB空壓缸ø125-ø250
CA空壓缸ø125-ø250
TC空壓缸ø125-ø250
不銹鋼迷你型氣缸
SD不銹鋼迷你型氣缸
FA不銹鋼迷你型氣缸
LB不銹鋼迷你型氣缸
CB不銹鋼迷你型氣缸
雙軸可調式不銹鋼迷你型氣缸
感應式氣缸
感應式鋁合金氣缸
感應式不銹鋼迷你型氣缸
Y接頭
I接頭
MI系列B型空壓缸
MI系列S型空壓缸
MI系列D型空壓缸
MK系列B型空壓缸
MK系列S型空壓缸
MK系列D型空壓缸
LB型(MI,MK安裝)
FA固定片(MI,MK安裝)
Y接頭(MI,MK安裝)
I接頭(MI,MK安裝)
插鞘(MI,MK安裝)
MR系列(ø20.ø30)B型空壓缸
MR系列(ø20.ø30)C型空壓缸
MR系列(ø20.ø30)B型空壓缸2
MR系列(ø20.ø30)C型空壓缸2
MR系列(ø20.ø30)D型(雙軸型)空壓缸
MR系列(ø40.ø50)C型空壓缸
MR系列(ø40.ø50)LB型空壓缸
MRC系列(ø40.ø50)FA型空壓缸
MRC系列(ø40.ø51)LB型空壓缸
MA系列B型空壓缸
MA系列D型(雙軸型)空壓缸
MA系列MAB-FA型空壓缸
MA系列MAB-FB型空壓缸
MA系列MAB-CA型空壓缸
MA系列MAB-CB型空壓缸
MA系列MAB-LB型空壓缸
MA系列MAB-TC型空壓缸
無桿缸
PL16.25.32.40鋼帶穿梭式無桿氣缸
鋼帶穿梭式無桿氣缸L型固定架
鋼帶穿梭式無桿氣缸活動支架
ORV16橢圓無桿缸
ORV25橢圓無桿缸
ORV40橢圓無桿缸
油壓緩衝器
AC油壓緩衝器
AD油壓緩衝器
HSR油壓穩速器
接頭元件
快速接頭
ASHA式迷你(MILE)型快速接頭
ASMA式迷你(MILE)型快速接頭
ASFA式迷你(MILE)型快速接頭
ASPA式迷你(MILE)型快速接頭
APHA式迷你(MILE)型快速接頭
APMA式迷你(MILE)型快速接頭
APFA式迷你(MILE)型快速接頭
APPA式迷你(MILE)型快速接頭
SHC式快速接頭(鐵.銅.鋅.白鐵)
SFC式快速接頭(鐵.銅.鋅.白鐵)
SMC式快速接頭(鐵.銅.鋅.白鐵)
SPC式快速接頭(鐵.銅.鋅.白鐵)
PHC式快速接頭(鐵.銅.鋅.白鐵)
PFC式快速接頭(鐵.銅.鋅.白鐵)
PMC式快速接頭(鐵.銅.鋅.白鐵)
PPC式快速接頭(鐵.銅.鋅.白鐵)
CSH大流量快速接頭
CSF大流量快速接頭
CSM大流量快速接頭
CPH大流量快速接頭
CPF大流量快速接頭
CPM大流量快速接頭
RCSF大流量RC式快速接頭插座
RCSH大流量RC式快速接頭插座
RCSM大流量RC式快速接頭插座
RCPF大流量RC式快速接頭插頭
RCPH大流量RC式快速接頭插頭
RCPM大流量RC式快速接頭插頭
SCSF不銹鋼C式快速接頭插座
SCSH不銹鋼C式快速接頭插座
SCSM不銹鋼C式快速接頭插座
SCPF不銹鋼C式快速接頭插頭
SCPH不銹鋼C式快速接頭插頭
SCPM不銹鋼C式快速接頭插頭
360°型快速接頭U-10SP
360°型快速接頭U--10SP
360°型快速接頭YL-3
360°型快速接頭YL-2
360°型快速接頭SML-XL
360°型快速接頭SML--XL
SMV-3多管路快速接頭
SMV-2多管路快速接頭
SML-2多管路快速接頭
SML-3多管路快速接頭
SML-4多管路快速接頭
SML-5多管路快速接頭
D1SFD1式中壓快速接頭
D1PFD1式中壓快速接頭
D2SFD2式中壓快速接頭
D2PFD2式中壓快速接頭
AC-25H打氣嘴
AC-25HL打氣嘴
AC-20P打氣嘴
ACL-20H打氣嘴
ACH-25H打氣嘴
KS-10空氣噴槍
AG-P110空氣噴槍
DG-10空氣噴槍
AD-989空氣噴槍
B101-2空氣噴槍
SPC省力型快速接頭
SPCF省力型快速接頭
SPM省力型快速接頭
SPU省力型快速接頭
SPL省力型快速接頭
SPLF省力型快速接頭
SPB省力型快速接頭
SPD省力型快速接頭
SPV省力型快速接頭
SPLL省力型快速接頭
SPH省力型快速接頭
SPY省力型快速接頭
SPE省力型快速接頭
SPF省力型快速接頭
SPX省力型快速接頭
JSS省力型快速接頭
JSC省力型快速接頭
JVA省力型快速接頭
SPZ省力型快速接頭
SCPS20省力型快速接頭
PU氣壓接頭
外螺紋管接頭鋁合金
L型管接頭鋁合金型號AL
L型管接頭塑鋼型號AL-KU
塑鋼T型管接頭型號T
塑鋼GU型管接頭塑鋼工程材料
內螺紋管接頭鋁合金型號C
鋁合金穿板式管接頭型號D
穿心螺栓型號LT
銅接頭
轉牙接頭
塞頭
內外牙
尼卜
管牙接頭
氧氣乙炔專用接頭
直通
Y型鍛造
十字頭
卜申
雙內牙
內牙插心
90°管牙
90°雙外牙
90°內外牙
90°雙內牙
T型外牙
T型內牙
切料三通
切料四通
三通內外牙
三通內X外
切料四通2
切料五通
雙插心
洗車機專用頭
空壓機專用頭
錶接頭
尼龍管接頭
UCB雙頭PU
ULB90°雙頭PU
UTB90°三頭PU
PU外牙直接頭
CBG-PU內牙直接頭
LBF-90°內牙PU接頭
LB-90°外牙PU接頭
TB-T外牙雙頭PU
F外牙雙頭尼龍
尼龍管帽
隔板式雙頭尼龍接頭
隔板式尼龍銅管
銅管接頭
S喇叭螺母
CS公牙直接頭
LS彎接頭
TS公牙三通接頭
UCS由任直接頭
ULS由任彎接頭
UTS三通由任
45°接頭
M銅珠
UCM雙頭銅管
ULM雙頭90°銅管
UTM-T型三頭銅管
CM直外牙銅管
CMF直內牙銅管
LM90°外牙銅管
LMF90°內牙銅管
TM-T型外牙雙頭銅管
F型外牙銅管
銅管螺帽
隔板式雙邊銅管
不銹鋼接頭
HOSE FITTINGS
MALE HOSE BIB FITTINGS
MALE/HOSE/ELBOW
SCB不銹鋼管接頭
SCBF不銹鋼管接頭
SCUB不銹鋼管接頭
SCLB不銹鋼管接頭
SLB不銹鋼管接頭
SLBF不銹鋼管接頭
SUTB不銹鋼管接頭
STB/SSTB不銹鋼管接頭
SMNT不銹鋼管接頭
SSLV不銹鋼管接頭
SCM不銹鋼管接頭
SCMF不銹鋼管接頭
SLM不銹鋼管接頭
SLMF不銹鋼管接頭
SULM不銹鋼管接頭
SUTM不銹鋼管接頭
STM/SSTM不銹鋼管接頭
SUS不銹鋼接頭-MC
SUS不銹鋼接頭-FC
SUS不銹鋼接頭-U
SUS不銹鋼接頭-RU
SUS不銹鋼接頭-BU
SUS不銹鋼接頭-BMC
SUS不銹鋼接頭-FE
SUS不銹鋼接頭-UE
SUS不銹鋼接頭-ME
SUS不銹鋼接頭-UT
SUS不銹鋼接頭-MBT
SUS不銹鋼接頭-FRT
SUS不銹鋼接頭-MRT
SUS不銹鋼接頭-FBT
SUS不銹鋼接頭-FE
SUS不銹鋼接頭-BF
SUS不銹鋼接頭-N
SUS不銹鋼接頭-HN
SUS不銹鋼接頭-P
SUS不銹鋼接頭-C
SUS不銹鋼接頭-HRN
SUS不銹鋼接頭-RA
SUS不銹鋼接頭-HCG
SUS不銹鋼接頭-HRCG
SUS不銹鋼接頭-RB
SUS不銹鋼接頭-MET
SUS不銹鋼接頭-E
SUS不銹鋼接頭-SE
SUS不銹鋼接頭-RSE
SUS不銹鋼接頭-T
SUS不銹鋼接頭-BT
SUS不銹鋼接頭-MT
SUS不銹鋼接頭-ST
油壓接頭
直接接頭
喉士半接頭
L型接頭
T型接頭
T型接頭
T型喉士接頭
T型PT接頭
45°度接頭
45°度型接頭
45°度型接頭
45°型PF30°凹接頭
45°型PF30°凸接頭
L型PT加長接頭
L型PT加長接頭
90°隔間接頭
直接頭
直接頭
直型PF30°凹接頭
直型PF30°凸接頭
直型PF30°凸接頭
直型隔間接頭
L型PF30°凸接頭
L型PF30°凹接頭
L型PT內外牙接頭
L型接頭
L型接頭
L型喉士焊接頭
直型錶接頭XPT
直型錶接頭XJIC
直型活動接頭
直型PF活動接頭凸(JIS)
直型JIC活動接頭
直型雙內牙活動接頭
(直)內牙活動接頭
L型活動接頭
L型PF活動接頭凸
L型JIC活動接頭90°
L型內牙活動接頭
直型PT封口接頭
L型封口接頭
L加長型封口
直型PT雙內牙接頭
PT內牙(焊接)
卜申
L型高壓內牙
L型高壓焊接
T型高壓內牙
T型高壓焊接
喉士焊套心
JIC螺母
PT公牙塞頭
喉士牙公塞頭
L型PT米厘接頭
直型PT-米厘接頭
直型-米厘牙接頭
直型鋼接
L型由令接頭
直型鋼管接頭
L型鋼管接頭
L型加長型鋼管接頭
直型由令接頭
T型鋼管接頭
T型鋼管接頭
三通鋼管由任
直型隔間式鋼管接頭
鋼管螺帽
鋼管套心
錶接鋼管接頭
潤滑給油系統
ET-A1微電腦注油機
YET-A2微電腦脫壓型注油機
YET-C2脫壓連續型注油機
YET-C1連續型注油機
YET-3電動式注油機
YAE-8電動式注油機
YET-20電動式注油機
YAC-3電動連續式注油機
YET-S單調鈕電動注油機
YET-D雙調鈕電動注油機
YESA自動、手動泵浦
YESB自動、手動泵浦
YAC-8H電動連續式迴油注油機
YES-2自動間歇型注油機
YESC-2自動間歇型注油機
雙調式自動間歇型注油機
給油泵浦
給油泵浦(可逆轉式)
調整閥
冷卻式循環注油機
鐵殼直結馬達A
鐵殼直結馬達B 加長
浸水式馬達
自吸式馬達
立式電動連續注油機
臥式電動連續注油機
電動連續注油機
電動黃油注油機
手動黃油注油機
手搖式注油機(吐出量:6cc)
手搖式注油機(吐出量:8cc)
手拉式注油機
濾油網
固定濾油網
雙面濾油網
調整濾油網
電磁泵浦
軸承活動輪
風壓活動輪(右牙或左牙)
定量分配器
DB型配油器
AE型配油器
DV調整型配油器
DE型配油器
CB螺母型沖床、螺絲機械專用防震動
活動直接頭
平面活動直角接頭
套管帽
套管
直接頭
直角接頭
比例接頭
三通管
四通管
五通管
多軸三通管
固定雙接頭
高壓管夾
活動開關
噴水管
風桶
風桶
油壓 HYDRAULIC SERIES
油壓元件
油壓元件-可變容量輪葉幫浦
油壓元件-可變容量輪葉幫浦
油壓元件-可變容量輪葉幫浦
油壓元件-雙聯可變容量輪葉幫浦
油壓元件-固定容量輪葉幫浦
油壓元件-固定容量輪葉幫浦
油壓元件-固定容量輪葉幫浦
油壓元件-齒輪幫浦
油壓元件-高低壓幫浦組合
油壓元件-高低壓幫浦組合
油壓元件-高低壓幫浦組合
油壓元件-高低壓幫浦組合
油壓元件-高低壓幫浦組合
油壓元件-高低壓幫浦組合
油壓元件-高低壓幫浦組合
油壓元件-高低壓幫浦組合
油壓元件-高低壓幫浦組合
油壓元件-高低壓幫浦組合
油壓元件-積層型逆止閥
油壓元件-單段式積層型引導逆止閥
油壓元件-二段式積層型引導逆止閥
油壓元件-積層型調整閥
油壓元件-積層型調整閥
油壓元件-積層型順序閥
油壓元件-積層型抗衡閥
油壓元件-積層型節流閥
油壓元件-積層型流量閥附逆止閥
油壓元件-引導調壓閥
油壓元件-直接作動型調壓閥
油壓元件-引導作動型調壓閥(配管式)
油壓元件-引導作動型調壓閥(座墊式)
油壓元件-低噪音型引導作動型調壓閥
油壓元件-油路板
油壓元件-電磁式二段壓力三段壓力調壓閥
油壓元件-電磁式調壓閥(配管式)
油壓元件-電磁式調壓閥(座墊式)
油壓元件-電磁式低噪音調壓閥
油壓元件-減壓閥附逆止閥
油壓元件-減壓閥
油壓元件-壓力開關
油壓元件-背壓閥
油壓元件-順序閥
油壓元件-電磁油壓切換閥(中座)
油壓元件-手動切換閥
油壓元件-引導逆止閥
油壓元件-止逆閥
油壓元件-滿油閥
油壓元件-節流閥
油壓元件-流量閥附逆止閥
油壓元件-流量控制閥
油壓元件-電磁式壓力追蹤流量控制閥
油壓元件-壓力追蹤流量控制閥
油壓元件-電磁方向式流量控制閥
油壓元件-電磁式二段式流量控制閥
油壓元件-電磁式三段式流量控制閥
油壓元件-電磁式壓力追蹤流量控制閥
油壓元件-流量控制閥
油壓元件-電磁流量控制閥
油壓元件-積層式流量電磁閥
油壓元件-電磁切換閥
油壓元件-油壓冷卻器
油壓元件-濾油網
油壓元件-油箱側蓋
油壓元件-管路迴油濾網
油壓元件-加油口
油壓元件-橡膠式連軸器
油壓元件-連軸器
油壓元件-油溫油面計
油壓元件-壓力計考克
油壓元件-壓力計
油壓單元組合
油壓單元組合-可變容量型
油壓單元組合-雙連式可變容量型
油壓單元組合-高壓可變型
油壓單元組合-高壓齒輪型(臥式)
油壓單元組合-高壓齒輪型(立式)
油壓單元組合-高低壓動力組合
油壓單元組合-高低壓回路油壓超薄型
油壓缸
油壓轉角缸
油壓轉角缸
高壓轉角缸
油路板型轉角缸
槓桿式角缸
油壓轉角缸單邊壓板
高壓轉角缸單邊壓板
空油壓轉角缸雙邊壓板
薄型油壓缸
薄型油壓缸
薄型感應油壓缸
不旋轉薄型油壓缸
不旋轉薄型感應油壓缸
油壓缸
螺旋式單動油壓缸
油壓支撐缸
油壓順序閥
油壓增壓器
YRO系列油壓缸
YRO系列D型雙軸型油壓缸
YRO系列C型CA型油壓缸
MOB系列Y接頭
MOB系列I接頭
MOB系列插鞘
YMO系列B型油壓缸
YMO系列MOB-CA型油壓缸
YMO系列YMOB-FB型油壓缸
YMO系列YMOB-FA型油壓缸
YMO系列YMOB-LB型油壓缸
YMO系列YMOB-D系列D型雙軸型油壓缸
YHO系列B型油壓缸
YHO系列D型雙軸型油壓缸
YHO系列YHOB-FA型油壓缸
YHO系列YHOB-FB型油壓缸
YHO系列YHOB-LA型油壓缸
YHO系列YHOB-LB型油壓缸
YHO系列YHOB-CA型油壓缸
YHO系列YHOB-TC型油壓缸
JHC系列SD型油壓缸
JHC系列FA型油壓缸
JHC系列FB型油壓缸
JHC系列LB型油壓缸
JHC系列CA型油壓缸
JHC系列CB型油壓缸
JHC系列LA型油壓缸
JHC系列TC型油壓缸
JHC系列TA型油壓缸
多節油壓缸
HC10系列FA型ø63x2節油壓缸
HC10系列FB型ø63x2節油壓缸
HC10系列CA型ø63x2節油壓缸
HC10系列TC型ø63x2節油壓缸
HC10系列FA型ø90x2節油壓缸
HC10系列FB型ø90x2節油壓缸
HC10系列CA型ø90x2節油壓缸
HC10系列TC型ø90x2節油壓缸
HC10系列FA型ø110x2節油壓缸
HC10系列FB型ø110x2節油壓缸
HC10系列CA型ø110x2節油壓缸
HC10系列TC型ø110x2節油壓缸
HC10系列FA型ø125x2節油壓缸
HC10系列FB型ø125x2節油壓缸
HC10系列CA型ø125x2節油壓缸
HC10系列TC型ø125x2節油壓缸
HC10系列FA型ø140x2節油壓缸
HC10系列FB型ø140x3節油壓缸
HC10系列CA型ø140x4節油壓缸
HC10系列TC型ø140x5節油壓缸
HC10系列FA型ø160x2節油壓缸
HC10系列FB型ø160x3節油壓缸
HC10系列CA型ø160x4節油壓缸
HC10系列TC型ø160x5節油壓缸
HC10系列FB型ø90x3節油壓缸
HC10系列CA型ø90x3節油壓缸
HC10系列TC型ø90x3節油壓缸
HC10系列FB型ø110x3節油壓缸
HC10系列CA型ø110x3節油壓缸
HC10系列TC型ø110x3節油壓缸
HC10系列FB型ø125x3節油壓缸
HC10系列CA型ø125x3節油壓缸
HC10系列TC型ø125x3節油壓缸
接頭元件
油壓接頭
直接接頭
喉士半接頭
L型接頭
T型接頭
T型接頭
T型喉士接頭
T型PT接頭
45°度接頭
45°度型接頭
45°度型接頭
45°型PF30°凹接頭
45°型PF30°凸接頭
L型PT加長接頭
L型PT加長接頭
90°隔間接頭
直接頭
直接頭
直型PF30°凹接頭
直型PF30°凸接頭
直型PF30°凸接頭
直型隔間接頭
L型PF30°凸接頭
L型PF30°凹接頭
L型PT內外牙接頭
L型接頭
L型接頭
L型喉士焊接頭
直型錶接頭XPT
直型錶接頭XJIC
直型活動接頭
直型PF活動接頭凸(JIS)
直型JIC活動接頭
直型雙內牙活動接頭
(直)內牙活動接頭
L型活動接頭
L型PF活動接頭凸
L型JIC活動接頭90°
L型內牙活動接頭
直型PT封口接頭
L型封口接頭
L加長型封口
直型PT雙內牙接頭
PT內牙(焊接)
卜申
L型高壓內牙
L型高壓焊接
T型高壓內牙
T型高壓焊接
喉士焊套心
JIC螺母
PT公牙塞頭
喉士牙公塞頭
L型PT米厘接頭
直型PT-米厘接頭
直型-米厘牙接頭
直型鋼接
L型由令接頭
直型鋼管接頭
L型鋼管接頭
L型加長型鋼管接頭
直型由令接頭
T型鋼管接頭
T型鋼管接頭
三通鋼管由任
直型隔間式鋼管接頭
鋼管螺帽
鋼管套心
錶接鋼管接頭
快速接頭
ASHA式迷你(MILE)型快速接頭
ASMA式迷你(MILE)型快速接頭
ASFA式迷你(MILE)型快速接頭
ASPA式迷你(MILE)型快速接頭
APHA式迷你(MILE)型快速接頭
APMA式迷你(MILE)型快速接頭
APFA式迷你(MILE)型快速接頭
APPA式迷你(MILE)型快速接頭
SHC式快速接頭(鐵.銅.鋅.白鐵)
SFC式快速接頭(鐵.銅.鋅.白鐵)
SMC式快速接頭(鐵.銅.鋅.白鐵)
SPC式快速接頭(鐵.銅.鋅.白鐵)
PHC式快速接頭(鐵.銅.鋅.白鐵)
PFC式快速接頭(鐵.銅.鋅.白鐵)
PMC式快速接頭(鐵.銅.鋅.白鐵)
PPC式快速接頭(鐵.銅.鋅.白鐵)
CSH大流量快速接頭
CSF大流量快速接頭
CSM大流量快速接頭
CPH大流量快速接頭
CPF大流量快速接頭
CPM大流量快速接頭
RCSF大流量RC式快速接頭插座
RCSH大流量RC式快速接頭插座
RCSM大流量RC式快速接頭插座
RCPF大流量RC式快速接頭插頭
RCPH大流量RC式快速接頭插頭
RCPM大流量RC式快速接頭插頭
SCSF不銹鋼C式快速接頭插座
SCSH不銹鋼C式快速接頭插座
SCSM不銹鋼C式快速接頭插座
SCPF不銹鋼C式快速接頭插頭
SCPH不銹鋼C式快速接頭插頭
SCPM不銹鋼C式快速接頭插頭
360°型快速接頭U-10SP
360°型快速接頭U--10SP
360°型快速接頭YL-3
360°型快速接頭YL-2
360°型快速接頭SML-XL
360°型快速接頭SML--XL
SMV-3多管路快速接頭
SMV-2多管路快速接頭
SML-2多管路快速接頭
SML-3多管路快速接頭
SML-4多管路快速接頭
SML-5多管路快速接頭
D1SFD1式中壓快速接頭
D1PFD1式中壓快速接頭
D2SFD2式中壓快速接頭
D2PFD2式中壓快速接頭
AC-25H打氣嘴
AC-25HL打氣嘴
AC-20P打氣嘴
ACL-20H打氣嘴
ACH-25H打氣嘴
KS-10空氣噴槍
AG-P110空氣噴槍
DG-10空氣噴槍
AD-989空氣噴槍
B101-2空氣噴槍
SPC省力型快速接頭
SPCF省力型快速接頭
SPM省力型快速接頭
SPU省力型快速接頭
SPL省力型快速接頭
SPLF省力型快速接頭
SPB省力型快速接頭
SPD省力型快速接頭
SPV省力型快速接頭
SPLL省力型快速接頭
SPH省力型快速接頭
SPY省力型快速接頭
SPE省力型快速接頭
SPF省力型快速接頭
SPX省力型快速接頭
JSS省力型快速接頭
JSC省力型快速接頭
JVA省力型快速接頭
SPZ省力型快速接頭
SCPS20省力型快速接頭
PU氣壓接頭
外螺紋管接頭鋁合金
L型管接頭鋁合金型號AL
L型管接頭塑鋼型號AL-KU
塑鋼T型管接頭型號T
塑鋼GU型管接頭塑鋼工程材料
內螺紋管接頭鋁合金型號C
鋁合金穿板式管接頭型號D
穿心螺栓型號LT
銅接頭
轉牙接頭
塞頭
內外牙
尼卜
管牙接頭
氧氣乙炔專用接頭
直通
Y型鍛造
十字頭
卜申
雙內牙
內牙插心
90°管牙
90°雙外牙
90°內外牙
90°雙內牙
T型外牙
T型內牙
切料三通
切料四通
三通內外牙
三通內X外
切料四通2
切料五通
雙插心
洗車機專用頭
空壓機專用頭
錶接頭
尼龍管接頭
UCB雙頭PU
ULB90°雙頭PU
UTB90°三頭PU
PU外牙直接頭
CBG-PU內牙直接頭
LBF-90°內牙PU接頭
LB-90°外牙PU接頭
TB-T外牙雙頭PU
F外牙雙頭尼龍
尼龍管帽
隔板式雙頭尼龍接頭
隔板式尼龍銅管
銅管接頭
S喇叭螺母
CS公牙直接頭
LS彎接頭
TS公牙三通接頭
UCS由任直接頭
ULS由任彎接頭
UTS三通由任
45°接頭
M銅珠
UCM雙頭銅管
ULM雙頭90°銅管
UTM-T型三頭銅管
CM直外牙銅管
CMF直內牙銅管
LM90°外牙銅管
LMF90°內牙銅管
TM-T型外牙雙頭銅管
F型外牙銅管
銅管螺帽
隔板式雙邊銅管
不銹鋼接頭
HOSE FITTINGS
MALE HOSE BIB FITTINGS
MALE/HOSE/ELBOW
SCB不銹鋼管接頭
SCBF不銹鋼管接頭
SCUB不銹鋼管接頭
SCLB不銹鋼管接頭
SLB不銹鋼管接頭
SLBF不銹鋼管接頭
SUTB不銹鋼管接頭
STB/SSTB不銹鋼管接頭
SMNT不銹鋼管接頭
SSLV不銹鋼管接頭
SCM不銹鋼管接頭
SCMF不銹鋼管接頭
SLM不銹鋼管接頭
SLMF不銹鋼管接頭
SULM不銹鋼管接頭
SUTM不銹鋼管接頭
STM/SSTM不銹鋼管接頭
SUS不銹鋼接頭-MC
SUS不銹鋼接頭-FC
SUS不銹鋼接頭-U
SUS不銹鋼接頭-RU
SUS不銹鋼接頭-BU
SUS不銹鋼接頭-BMC
SUS不銹鋼接頭-FE
SUS不銹鋼接頭-UE
SUS不銹鋼接頭-ME
SUS不銹鋼接頭-UT
SUS不銹鋼接頭-MBT
SUS不銹鋼接頭-FRT
SUS不銹鋼接頭-MRT
SUS不銹鋼接頭-FBT
SUS不銹鋼接頭-FE
SUS不銹鋼接頭-BF
SUS不銹鋼接頭-N
SUS不銹鋼接頭-HN
SUS不銹鋼接頭-P
SUS不銹鋼接頭-C
SUS不銹鋼接頭-HRN
SUS不銹鋼接頭-RA
SUS不銹鋼接頭-HCG
SUS不銹鋼接頭-HRCG
SUS不銹鋼接頭-RB
SUS不銹鋼接頭-MET
SUS不銹鋼接頭-E
SUS不銹鋼接頭-SE
SUS不銹鋼接頭-RSE
SUS不銹鋼接頭-T
SUS不銹鋼接頭-BT
SUS不銹鋼接頭-MT
SUS不銹鋼接頭-ST
直管器
直管器
潤滑給油系統
ET-A1微電腦注油機
YET-A2微電腦脫壓型注油機
YET-C2脫壓連續型注油機
YET-C1連續型注油機
YET-3電動式注油機
YAE-8電動式注油機
YET-20電動式注油機
YAC-3電動連續式注油機
YET-S單調鈕電動注油機
YET-D雙調鈕電動注油機
YESA自動、手動泵浦
YESB自動、手動泵浦
YAC-8H電動連續式迴油注油機
YES-2自動間歇型注油機
YESC-2自動間歇型注油機
雙調式自動間歇型注油機
給油泵浦
給油泵浦(可逆轉式)
調整閥
冷卻式循環注油機
鐵殼直結馬達A
鐵殼直結馬達B 加長
浸水式馬達
自吸式馬達
立式電動連續注油機
臥式電動連續注油機
電動連續注油機
電動黃油注油機
手動黃油注油機
手搖式注油機(吐出量:6cc)
手搖式注油機(吐出量:8cc)
手拉式注油機
濾油網
固定濾油網
雙面濾油網
調整濾油網
電磁泵浦
軸承活動輪
風壓活動輪(右牙或左牙)
定量分配器
DB型配油器
AE型配油器
DV調整型配油器
DE型配油器
CB螺母型沖床、螺絲機械專用防震動
活動直接頭
平面活動直角接頭
套管帽
套管
直接頭
直角接頭
比例接頭
三通管
四通管
五通管
多軸三通管
固定雙接頭
高壓管夾
活動開關
噴水管
傳動
自潤軸承
添加鐵弗龍系-自潤DRYMET LF襯套
添加鐵弗龍系-自潤DRYMET LF凸緣襯套
添加鐵弗龍系-自潤DRYMET LF墊圈
添加鐵弗龍系-自潤DRYMET LF平板
添加鐵弗龍系-齒輪油泵用襯套
預備潤滑POM系-自潤DX襯套
預備潤滑POM系-自潤DX墊圈
特殊銅合金系-自潤#500SP襯套
特殊銅合金系-自潤#500SP襯套
特殊銅合金系-自潤#500SP SL-4襯套
特殊銅合金系-自潤#500SP止推墊圈
特殊銅合金系-平面型自潤軸承L型滑板
特殊銅合金系-平面型自潤軸承平面滑板
特殊銅合金系-自潤軸承
直線軸承、軸心
汎用型公制規格線性軸承
歐洲型公制規格線性軸承
英制規格線性軸承
圓形/方形凸緣線性軸承
加長型圓形/方形凸緣線性軸承
圓形凸緣/方形凸緣
短衝程線性軸承
連座線性軸承
加長型連座線性軸承
連座自潤線性軸承
加長型自潤連座線性軸承
OP型連座線性軸承
OP加長型連座線性軸承
連座偏心線性軸承
軸心固定座
軸心固定座
雙軸心滑軌
SF軸心
SCF軸心(不生銹軸心)
外徑加工軸心
空心軸心
CRS軸心
軸心支持座
滑軌
不生銹滑軌
不生銹滑軌
線性滾柱軸承
交叉滾子導軌
微型滑軌
標準型微型滾珠線性滑軌
標準型微型滾珠線性滑軌
ST型微型線性滑軌
COMTOP ABBA 滾珠滑軌
線性滑軌BR系列
線性滑軌BR系列
線性滑軌BR系列
線性滑軌BR系列
線性滑軌BR系列
線性滑軌BR系列
自潤式儲油箱
不銹鋼防塵帶
COMTOP 滾珠導螺桿
滾珠螺桿的特長
滾珠螺桿的選定步驟
滾珠螺桿技術解說
滾珠螺桿的選定要領與選定計算
滾珠螺桿使用上的注意事項
SFI滾珠螺桿
DFI滾珠螺桿
SFU(DIN 69051 FORM B)滾珠螺桿
DFU(DIN 69051 FORM B)滾珠螺
SFT滾珠螺桿
DFT滾珠螺桿
SFE滾珠螺桿
SFK滾珠螺桿
Square-Nut Rolled Ball Screws
銑床專用滾珠螺桿
螺桿支撐座
FK固定側螺桿支撐座
FF支持側螺桿支撐座
BK固定側螺桿支撐座
BF支持側螺桿支撐座
EK固定側螺桿支撐座
EF支持側螺桿支撐座
聯軸器
MFC/MFCS聯軸器
MFC-C/MFCS-C聯軸器
MFB/MFBS聯軸器
MFL聯軸器
MFL-C聯軸器
MTC聯軸器
MHC-C聯軸器
MTC-C聯軸器
MRC聯軸器
MRC-C聯軸器
WTM聯軸器
WTD聯軸器
萬向接頭
兩節式精密型萬用接頭
三節式精密型萬用接頭
附中間栓槽軸萬用接頭
滾珠滑軌 螺桿防塵套
LM線性滑軌專用軟式防塵套
ㄇ字型伸縮防塵套(水平)
ㄇ字型伸縮防塵套(上下·橫式)
一字型伸縮防塵套
滾珠螺桿專用防塵套(八角圓形)
萬鑫齒輪減速馬達
GH型臥式單相·三相齒輪減速馬達
GV型立式單相·三相齒輪減速馬達
GHD型臥式雙軸型齒輪減速馬達
GVD型立式雙軸型齒輪減速馬達
GHM型臥式直結型齒輪減速馬達
GVM型立式直結型齒輪減速馬達
公差表
孔的尺寸容許差
軸的尺寸容許差
夾持元件
CKD系列
RGK系列
雙導桿氣壓模組
智能型真空吸取模組
機械手臂自動換模系統
夾爪配件
機械手臂周邊
真空吸盤周邊
機械人工具
機械人自動換模系統
轉位模組
電動夾爪
三指定心機械夾爪
張角式機械夾爪
二指平動機械夾爪
Hijet 快速接頭
PC螺紋直通
PL L型螺紋二通
PLL L型加長螺紋直通
PB T型螺紋直通
PD T型分支螺紋三通
PX Y型分支螺紋三通
PH外六角接頭
PHF串接接頭
PLF L型內螺紋二通
PCF內螺紋直通
PE T型三通
PY Y型三通
PV L型二通
PP管塞
PU直通
PM隔板直通
PZA十字四通
PEG T型異徑三通
PEW T型異徑三通
PG異徑直通
PKG異徑五通
PK五通
PKD異徑螺紋五通
PKB螺紋五通
PW Y型異徑三通
PPC塑鋼接頭
PGJ異徑直通插頭
SA直通調速插頭
SL調速
HVFS空氣由螺紋端流向插管端
HVSF空氣由插管端流向螺紋端
HVFF Hand Valve
HVSS Hand Valve
Hijet-流體控制用電磁閥
2HS系列電磁閥
2HW-B系列電磁閥
2HW系列電磁閥
2HD/2HD-B流體控制用電磁閥
半導體管件
TAP
TAF
TSNM
TSNP
THN
TFM
TASM
TFN
TIS
TCM
TTUB
TLUB
TPC
TPH
TRPC
TAM
TEM
TAR
TAH
TUB
CKD自動化
集成化氣體供應系統
真空機器
藥液閥
導桿&滑台缸
氣缸
無桿汽缸
電動缸
直動式2&3方口電磁閥
氣缸
醫療分析用閥
空氣氣壓3&5方口電磁閥
網路對應閥
無塵室調壓過濾
F.R.L三點組合
直接驅動馬達分度器
分度盤
半導體用藥液控制器
壓力感應器、流量控制器
電空比例閥
空氣乾燥機
真空精密機器
AirTAC空壓元件
執行元件(Actuators)
焊接夾緊氣缸. 阻擋氣缸 Clamp cylinder and stopper cylinder
標準氣缸-Standard cylinder
迷你氣缸 Roundline cylinder
超薄氣缸、緊湊氣缸 Compact cylinder
多位置固定氣缸 Mini free mount cylinder and Multi-mount cylinder
面板氣缸、螺紋氣缸 Plate cylinder and Threaded cylinder
雙軸氣缸 Twin-rod cylinder
雙軸氣缸 Twin-rod cylinder
雙軸氣缸 Twin-rod cylinder
雙軸氣缸 Twin-rod cylinder
雙軸氣缸 Twin-rod cylinder
雙軸氣缸 Twin-rod cylinder
三軸氣缸 Tri-rod cylinder
滑台氣缸 Slide table cylinder and Compact slide cylinder
無桿氣缸 Rodless magnetic cylinder 迴轉氣缸 Rotary table cylinder
大口徑開口夾 Big size air gripper 氣動手指 air gripper
旋轉夾緊氣缸 Twist clamp cylinder and Rotary clamp cylinder
控制元件
氣控閥 air valve
電磁閥 Solenoid valve
人控、機控及其它閥 Manual control valve. Mechanical control valve and orther valves
流體控制閥 Fluid control valve
氣源處理元件
G系列氣源處理元件 G Series
A\B系列氣源處理元件
其他系列氣源處理元件
各類輔助元件
管接型調速閥.手閥 Speed controller, finger valve
不鏽鋼接頭系列 Stainless steel fitting & silencers
PU管及PA尼龍管 Polyurethane re-coil hosepart
管接頭. 消聲器 Fitting, Silencer
PARKER ESG電動爪
CHELIC空壓零件
氣源系列
控制系列
氣缸系列
自動化系列
外銷專區
把手
CAMOZZI 醫瘵生技用空壓元件
微計量控制電磁閥 K8系列
流量比例閥、 接頭